• 正、逆轉及2段速控制器

 

額定
型號
輸入電壓
50/60Hz
輸出電壓
負載功率(W)
外觀
重量(g)
防塵套
10
|
20
30
|
40
50
|
70
100
|
150
180
|
220
250
|
300
400
750
A-FR
110
0-24
A
B
C
D
E
O : 開放式
900
x
0-90
A
B
C
D
E
F
G
220
0-90
A
B
C
D
E
F
G
O : 開放式
900
x
0-180
C
D
E
F
G
H

應用特性:

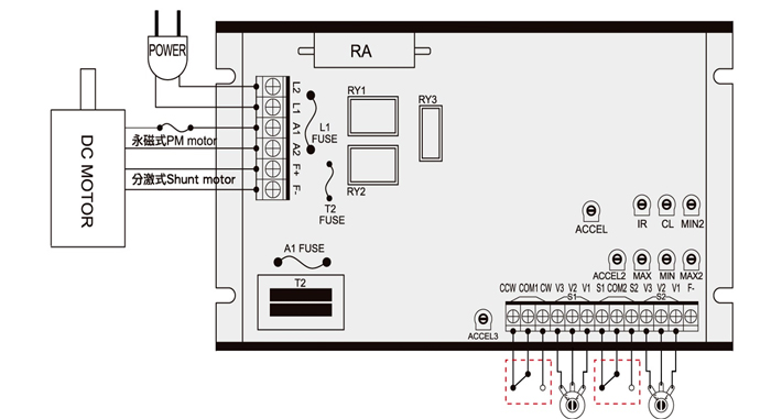
  • A1、A2電壓輸出,由CW或CCW控制,操作正、逆轉會先煞車再運轉;長時間停機,請將電源關閉。
  • 速度控制可由S1(V2+、F-)或S2(V2+、F-),輸入0~9VDC取代電位計。
    由0~9VDC控制速度時,MAX、MIN將無法設定。
    由0~9VDC控制速度時,將V2遮斷,可得緩降 (Decel) 功能。
  • 由電壓控制時,建議加裝信號隔離器,以防止電位差干擾。
  • 需要1/2值之場繞電壓(分激馬達)時,請由L1、F+,跨接取得
  • 最大工作電流10A。工作頻率10次/min。
  • 高慣性、高慣量之場合,請先減速再做切換正、逆轉。

 

特性調整設定值

  • MIN、MIN2 (S1, S2最低轉速):30%
  • MAX、MAX2 (S1, S2最高轉速):70%
  • IR (負載補償):30%
  • CL (電流限制/扭力):65%
  • ACCEL (加速啟動):50%。
  • IR (負載補償):30%
  • ACCEL2、ACCEL3 (CW、CCW應答速度):50%
  • MIN、MIN2-S1, S2最低轉速,MAX、MAX2-S1, S2最高轉速,IR-6V,CL-150%滿載, ACCEL-2s,ACCEL2、ACCEL3-1.5s

 

特性調整範圍

  • MIN最低轉速調整範圍(%)……………………………………………………………………………….0-30
  • MAX最高轉速調整範圍(%)………………………………………………………………………….50-150
  • IR負載補償調整範圍(V)…………………………………………………………………………………..0-24
  • CL電流限制/扭力範圍(%)……………………………………………………………………………..50-200
  • ACCEL加速時間 (0至滿載)(Sec)……………………………………………………………………0.5-4.0
  • ACCEL2、ACCEL3 (CW、CCW應答速度)(Sec)……………………………………………0.5-3.0
  • 轉速範圍(比率)………………………………………………………………………………………………30:1
  • 在全額運轉時最高允許周圍溫度(°C/°F)…………………………………………………………42/113