• 公司簡介
  • 產品介紹
  • 聯絡我們
  • 回首頁
  • English
  • 
    886-4-22154288
  • 
    xa.jong@msa.hinet.net

 light-duty tranmission equipment element

such as motor, gear motor, controller

Drive & Motor

 light-duty tranmission equipment element

such as motor, gear motor, controller

Drive & Motor

45
  • 直流控制器
    • 安裝規格
    • 速度控制器
    • 正、逆轉及2段速度控制器
    • LV低壓速度控制器
    • 張力控制器
    • 動態煞車器
    • 正逆轉控制器
    • 信號隔離器
  • 減速機
  • 直流馬達
    • 05 SP/SGN
    • 06 SP/SGN
    • 07 SP/SWG/SGN
    • 08 SP/SWG/SGN
    • 10 SP/SWG/SGN
    • M29 SP/SWG/SGX
    • M35 SP/SWG/SGX
    • M31 RWG
  • 微小直流馬達
  • 馬達腳座
  • 交、直流馬達
  • 蝸輪減速機
    • 25/35 HaHa M 系列
    • 25/35 HaHa G 系列
    • 25/35 HbHb M 系列
    • 25/35 HbHb G 系列
    • 25/35 CC M 系列
    • 25/35 CC G 系列
    • 25/35 FC/CF M 系列
    • 25/35 FC/CF G 系列
    • 25/35 CV/VC M 系列
    • 25/35 CV/VC G 系列
    • 35 HaHa W 系列
    • 35 HbHb W 系列
    • 35 CC W 系列
    • 35 CF/FC W 系列
    • 35 CV/VC W 系列
    • 35 IEC 系列
    • 蝸輪減速機出力軸
    • 扭力固定臂
  • AC 同步馬達
  • 焊縫追蹤器
    • XY滑塊
    • XY控制器
    • 跟蹤感測器
  • E-CATALOG
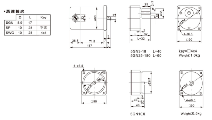
Home / 直流馬達 / 08 SP/SWG/SGN / 08 SP/SWG/SGN 直流馬達額定規格
  • 
    08 SP/SWG/SGN 直流馬達額定規格

 

型號 額定
VOLTAGE
(vdc)
AMPS
(A)
SPEED
(RPM)
OUTPUT
(W)
TORQUE
(kg-cm)
RATING
(min)
WEIGHT
(kg)
08 12 4.4 1800 40 2.2 CONT 1.7
24 2.2
90 0.6
12 8 3200 70 2.1 30 min 1.7
24 4
90 1.1

 

全重股份有限公司

xajong drive motor

Tel: 886-4-22154288

Fax: 886-4-22137949

E-mail:xa.jong@msa.hinet.net

40151 台中市東區自由路四段121巷9號